ВП НУБіП України "Бережанський агротехнічний інститут"
ФАКУЛЬТЕТ ЕНЕРГЕТИКИ ТА ЕЛЕКТРОТЕХНІКИ
Контакти:  (03548) 2-14-51    energetik.fakultet@gmail.com    Viber   Facebook
Україна тримає стрій!!!
Featured

Гостьова лекція з навчальної дисципліни «Основи наукових досліджень» на кафедрі електротехнологій та експлуатації енергообладнання

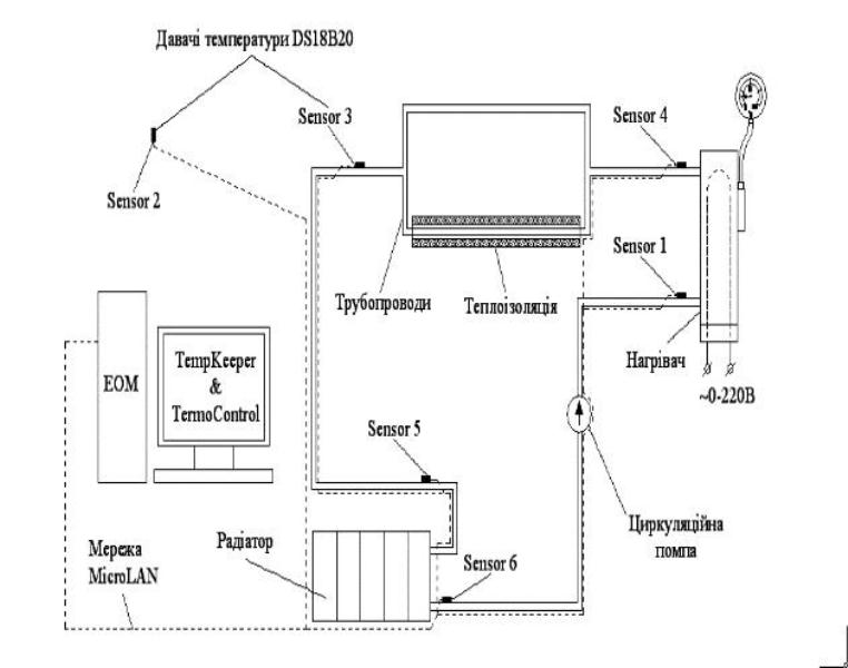
1    6 жовтня 2025 р. відбулася гостьова лекція з навчальної дисципліни «Основи наукових досліджень» для здобувачів вищої освіти 3-4 курсів навчання факультету «Енергетики та електротехніки», на якій розглядалася тема: «Використання цифрових давачів температури Dallas DS18B20 під час проведення наукових досліджень».

    Спікером заходу став доцент кафедри «Електричної інженерії» Тернопільського Національного технічного університету ім. І. Пулюя, Зінь Мирослав Михайлович. Його багаторічний досвід у проведенні наукових досліджень, численні наукові публікації та активна участь у формуванні професійних компетентностей майбутніх фахівців, стали запорукою високого рівня лекційного заняття.

   Захід був скерований на підтримку здобувачів вищої освіти, які прагнуть не лише освоїти основи наукової діяльності, а й зробити вагомий внесок у розвиток галузі електроенергетики та електротехніки.

   У ході лекції Мирослав Михайлович зосередив увагу майбутніх фахівців на практичних аспектах до проведення наукових досліджень, серед яких орієнтація на актуальні проблеми галузі електричної інженерії та використання новітніх цифрових технологій.

2   Зокрема, застосування цифрових давачів температури Dallas DS18B20 при розробці дослідної установки для побудови балансів потужності й енергії автономної системи опалення тощо.

3   Лекція викликала значний інтерес серед студентів і викладачів, адже надала унікальну можливість отримати практичні знання від провідного фахівця, який поєднує досвід і багаторічну дослідницьку практику у сфері проведення досліджень.

   Вважаємо, що ця гостьова лекція стала важливим інтелектуальним майданчиком для майбутніх фахівців, які прагнуть розширювати свої дослідницькі компетентності, удосконалювати методичні навички та інтегруватися у сучасний науковий простір. Такі заходи не лише сприяють розвитку академічної спільноти, а й допомагають формувати покоління дослідників, здатних змінювати освітню систему на краще.

 Кафедра висловлюють щиру вдячність Мирославу Михайловичу за змістовну лекцію та натхнення, яке він передав учасникам лекції. Надіємось, що цикл гостьових лекцій буде продовжуватися.

Підготував: зав. кафедри «Електротехнологій та
експлуатації енергообладнання» Любомир Колодійчук

 

Карта повітряних тривог України

Обговорення проєктів

 

Free Joomla templates by Ltheme